2018-11-28 16:11
小伙伴们,你们要的线场技术论坛,还有超nice大奖哦,总价值超过10000万!【免费参与】
电气设备安装是每个装修施工人员的必修课,一个优秀电工不仅仅线接得漂亮,而且是符合电气规范的,这才能够保障用电安全。
比如一旦电线装修的时候,工人把火线和零线装反了,因为电线的颜色并不一定是标准的,有时候一些电工在施工时并没有特意辨别颜色,所以很难发现,这样的电线一样可以通电,但是却存在一定的平安隐患,由于有一些电器上面自带开关,上面的开关则是控制前线的,关闭电器上的开关,常常是断开战线,从而到达断电的效果。假如一不当心接反了,那么电器上面的开关,就变成断开零线了,这样即便是断电状态,固然不构成回路通电,但是电器的内部仍然是带电状态,我们平常很容易发作触电的风险或者烧毁电器内部电路,引发火灾等等。

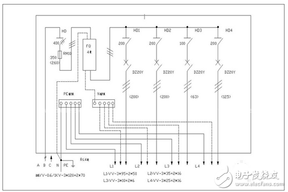
家庭电路的铺设更是至关重要的环节,其中家庭配电箱安装涉及到家居用电的安全问题,家用配电箱正规接法非常实用,对电工大有帮助。
接线方法如上图所示,进线端火线的标识是L零线的标识是N一般家用的配电箱由一个总开关和若干粉线开关组成,一般总开关多是带有漏电保护功能的,接线时火线接多用红色线走线,零线为蓝色,黑色,或者黄色,如果是单开关配电开关必须接火线。
如果安装家用的配电箱,则需要购买进户线,选用四平方米的就差不多了,通过漏电开关中的火线连接到家用的总开关电闸,在通过火线连接到各个房间的开关,因为零线是公用的,分开到每个房间就行了。


在安装家用的配电箱之前,一定要把所涉及的设备买齐全,然后测量家用电路的额定电流以及工作电压是多少,按照家用的电路的电源进行配置一个相近的配电箱,然后再设计一个家用配电箱接线图,通过这个家用配电箱接线图进行施工安装,这样全程的流程走下来,安装也非常方便。
配电箱应用的范围不同,那么接线的方法就是不同的,家用配电箱接线图算是比较简单的,建筑或者电厂等地方的家用配电箱接线图,那么就比较具有专业化。
配电箱如果接线混乱的话,不单是有安全隐患,而且出现故障时要维修也非常困难,下图说明一些常见的家用配电箱错误接法,希望大家引以为鉴。
配电箱背后开孔进线,不符合规范要求且对日后维护管理带来较大不利,此类施工应禁止。

箱内导线配线混乱出线,未按规范要求区分导线颜色,在箱内存在接线,电缆头未处理,箱内电气元件拥挤。
1、配电箱箱体严禁用电、气焊开孔或扩孔,不应开长孔,严禁背后开孔,正常情况也不在箱体侧面开孔,箱体开孔应与导管管径适配。
2、箱(盘)内配线应整齐,回路编号齐全,标识正确,箱内导线横平竖直,无绞接现象,导线连接紧密,不伤芯线,不断股。垫圈下螺丝两侧压的导线截面积相同,导线连接紧密,不伤芯线,不断股。垫圈下螺丝两侧压的导线截面积相同,同一端子上导线根,防松垫圈等零件齐全。
5、配电箱内结线基本整洁,导线颜色选择正确,回路编号齐全正确,箱壳箱门接地可靠。
1、家庭配电箱分金属外壳和塑料外壳两种,有明装式和暗装式两类,其箱体必须完好无缺。
2、家庭配电箱的箱体内接线汇流排应分别设立零线、保护接地线、相线,且要完好无损,具良好绝缘。
3、空气开关的安装座架应光洁无阻并有足够的空间,应安装在干燥、通风部位,且无妨碍物,方便使用。绝不能将配电箱安装在箱体内,以防火灾。
4、家庭配电箱配电箱不宜安装过高,一般安装标高为1.8米,以便操作;进配电箱的电管必须用锁紧螺帽固定。
5、若家庭配电箱配电箱需开孔,孔的边缘须平滑、光洁,配电箱埋入墙体时应垂直、水平,边缘留5~6毫米的缝隙,配电箱内的接线应规则、整齐,端子螺丝必须紧固。
6、各回路进线必须有足够长度,不得有接头,安装后标明各回路使用名称,家庭配电箱安装完成后须清理配电箱内的残留物。
声明:电子发烧友网转载作品均尽可能注明出处,该作品所有人的一切权利均不因本站而转移。
作者如不同意转载,既请通知本站予以删除或改正。转载的作品可能在标题或内容上或许有所改动。
·三相异步电动机接线图和接线方法_三相电机接线图_三相电机接线图实物图
·漏电保护器接线图原理_漏电保护器接线方法_三相漏电断路器接线方法详解
·三相异步电动机接线图和接线方法_三相电机接线图_三相电机接线图实物图
·漏电保护器接线图原理_漏电保护器接线方法_三相漏电断路器接线方法详解